COMUNICADO

Olá Pessoal!!!

Aqui você vai encontrar vários modelos de desenhos detalhados para praticar, seja qual for o programa CAD que você utiliza, Aproveite!!!




domingo, 20 de dezembro de 2015

Peças para Treinar II

DESENHOS ENCONTRADOS NA INTERNET. EU APENAS DESENHEI EM 3D E RENDERIZEI.

PEÇA 3




PEÇA 4




PEÇA 5




PEÇA 6 - ESSA PEÇA ESTÁ NA SEÇÃO DE ISOMÉTRICO TAMBÉM.













sábado, 12 de dezembro de 2015

Isométrico 8

Oitavo Exercício - ISOMÉTRICO VIII
Desenho 2D - AutoCAD 2016 

Para quem gosta de FAZER DESENHOS ISOMÉTRICOS. Abaixo tem  alguns que cotei recentemente.Se preferirem, na seção de downloads tem o arquivo em pdf. Não se esqueça de usar a senha para descompactar. A senha está lá também ao lado do download.


quarta-feira, 9 de dezembro de 2015

PLANTA BAIXA III- CASA TERRENO 5x30

Terceiro Exercício Civil PLANTA BAIXA III- CASA TERRENO 5x30
Desenho 2D - AutoCAD 2016


Eu disponibilizei a PLANTA BAIXA em pdf e também a PRANCHA e as TABELAS de AREA e ESQUADRIAS em dwg, na seção de downloads tem os arquivos. Não se esqueça de usar a senha para descompactar. A senha está lá também ao lado do download.



Se alguém quiser fazer o 3D no sketchup e mandar um render pra mim, eu adiciono aqui no blog.

terça-feira, 8 de dezembro de 2015

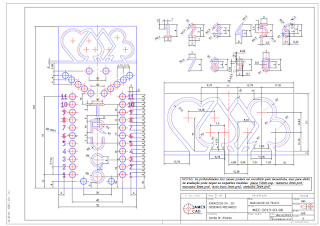
Marcador de Truco

Vigésimo Primeiro Exercício - MARCADOR DE TRUCO
Desenho 3D - SolidWorks 2014 | Renderizado SolidWorks 2014
Desenho 2D - AutoCAD 2015 

Para quem gosta de Projetos pra usinar. Abaixo das imagens tem um link para download do arquivo pdf do desenho 2D com medidas pra fazer. Não se esqueça de usar a SENHA para descompactar. 



Senha do arquivo Winrar: JamesCAD-TX7PA